Acheter une maison à Goudelin (22290)

Modifier ma recherche
14 annonces
Audrey Merrer - iad
Annonce publiée le 28/11/2025 - mise à jour 29/11/2025
Proposée par Audrey Merrer - iad 28/11/2025 - mise à jour 29/11/2025
20
Maison, 96 m²

166 300 € 1 732 €/m²
Maison • 96 m² • 5 pièces • 3 chambres • Ter. 20 927 m²

Goudelin (22290)

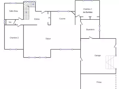
iad France - Audrey Merrer vous propose: RARE / MAISON VIE DE PLAIN-PIED, AVEC 2 HECTARES BOISÉS ATTENANTS / A 10 MINUTES DE GUINGAMP - 20 MINUTES DE LA PLAGE J'ai le plaisir de vous présenter cette jolie maison de campagne, À RÉNOVER, avec son BOIS PRIVÉ ATTENANT à Goudelin. Véritable havre de paix, située dans une IMPASSE, la maison se dessine au bout d'une allée boisée et d'un charmant muret en pierre qui délimite l'entrée. Stationnez dans la clairière, qui donne le ton : une pluralité d'essences d'arbres (merisiers, peupliers, érables, ifs...) et de fruitiers (mirabelles, pommes, noix, poires, raisin)..., pour se ressourcer et faire le plein de sérénité en toute gourmandise ! Revenons vers la maison où la GRANDE TERRASSE EXPOSÉE SUD-OUEST vous permettra de profiter du soleil et de la vue dégagée sur le jardin paysager, la campagne et la forêt, autour d'un bon barbecue. Vous serez accueillis dans l'entrée, qui dessert DEUX CHAMBRES sur parquet, un grand salon-séjour lumineux en 'L', communiquant avec la cuisine. La configuration est idéale pour créer un coin détente autour de la CHEMINÉE avec insert, tout en installant une grande salle à manger avec vue sur l'extérieur. La salle d'eau avec douche à l'italienne, et le WC indépendant, terminent ce niveau pour une VIE DE PAIN-PIED. Un petit escalier vous amène à la CHAMBRE du rez-de-jardin, dans une ambiance 'chalet'. Chaque fenêtre est une invitation à contempler tantôt la FORÊT, tantôt les fleurs à foison, tantôt les FRUITIERS, le tout formant de jolis recoins propices à la promenade. Construite sur SOUS-SOL COMPLET, la maison dispose d'une cave offrant un large espace pour garer un véhicule (portail électrique), et différentes pièces pour du stockage/cave à vin. Les bricoleurs seront bien installés dans l'ATELIER attenant à la maison. Ses plus : - le cadre exceptionnel : le calme, le bois attenant privé et ses fruitiers - possibilité de vie de plain-pied - situation géographique : à proximité des services/commerces et de la plage A prévoir : mise aux normes de l'électricité, et changement de la chaudière fuel hors d'usage (possibilité de pompe à chaleur). Venez vite découvrir cette pépite nichée à l'orée du bois, coup de cOEur assuré ! En attendant, une visite virtuelle est disponible sur cette page, suivez le guide ! Honoraires d'agence à la charge du vendeur. Information d'affichage énergétique sur ce bien : classe ENERGIE F indice 260 et classe CLIMAT F indice 79. Les informations sur les risques auxquels ce bien est exposé, y compris l'obligation légale de débroussaillement, sont disponibles sur le site Géorisques : http://www.georisques.gouv.fr. La présente annonce immobilière a été rédigée sous la responsabilité éditoriale de Mme Audrey Merrer mandataire indépendant en immobilier (sans détention de fonds), agent commercial de la SAS I@D France immatriculé au RSAC de Saint-Brieuc sous le numéro 989014931, titulaire de la carte de démarchage immobilier pour le compte de la société I@D France SAS.

Agent immobilier ?
Diffusez GRATUITEMENT toutes vos annonces sur Superimmo.com
L'Étude Immobilière du Goëlo
Annonce publiée le 24/01/2025 - mise à jour 25/04/2025
Proposée par L'Étude Immobilière du Goëlo 24/01/2025 - mise à jour 25/04/2025
19
Maison, 98 m²

227 900 € 2 326 €/m²
Maison • 98 m² • Sous compromis • 5 pièces • 4 chambres • Ter. 910 m²

Goudelin (22290)

A découvrir rapidement !!! Maison de 1998 en impasse sur terrain clos d'environ 910m2 . composée d'un espace de vie avec poële à bois ouvert sur cuisine aménagée et équipée , une chambre avec placard, salle d'eau , wc. A l'étage palier desservant 3 chambres et une salle de bains . garage attenant et buanderie . Atelier, garage et carport non attenant . Une visite s'impose

PRISMO - Expertimo
Annonce publiée le 28/08/2025 - mise à jour 22/11/2025
Proposée par PRISMO - Expertimo 28/08/2025 - mise à jour 22/11/2025
24
Maison, 177 m²

285 000 € 1 610 €/m²
Maison • 177 m² • 8 pièces • 5 chambres • Ter. 558 m²

Goudelin (22290)

Bien immobilier confortable et plaisant situé en centre bourg auprès des services. Il est composé d'une maison en pierre, d'un garage de 36 m2, d'un atelier de 19 m2 et d'un jardin clos non enclavé. Ce dernier est aménagé et paysagé avec goût et comprend deux terrasses, une remise annexe de 19 m2 à usage de véranda, un carré potager avec son abri et un puits. Avec ses extensions en appentis sur l'arrière, la maison offre en plain-pied un séjour / salon de plus de 50 m2 et une cuisine de 16 m2 ouvertes sur le jardin. Une chambre de 16 m2, une salle d'eau, un WC et un cellier viennent compléter le rez-de-chaussée. À l'étage au-dessus du salon, pièce pour aménager une chambre ou pour un autre usage. Au 1er étage par l'escalier principal, deux chambres et une salle d'eau avec WC. Au second étage, une chambre et une pièce en enfilade pour faire un bureau ou pour un autre usage. Le bien est raccordé à l'assainissement collectif. Le chauffage et l'eau chaude sont produits par une pompe à chaleur eau/eau géothermique.Un emplacement est prévu pour l'installation d'un poêle à bois. Les coûts annuels d'énergie pour chauffer les 177 m2 de surface habitable sont estimés entre 1 800 euros et 2 500 euros par an. Contactez votre conseiller Prismo pour plus d'informations, visites sur site et virtuelle (360o). Noël Lefebvre (06+26+66+46+48).

L'Étude Immobilière du Goëlo
Annonce publiée le 31/07/2025 - mise à jour 05/12/2025
Proposée par L'Étude Immobilière du Goëlo 31/07/2025 - mise à jour 05/12/2025
15
Maison, 53,83 m²

Prix en baisse 96 310 € 1 789 €/m²
Maison • 53,83 m² • 4 pièces • 2 chambres • Ter. 165 m²

Goudelin (22290)

Venez découvrir cette maison en pierres qui n'attend que vous !!! Composée d'une entrée, séjour, cuisine salle d'eau . A l'étage palier déservant 2 chambres et un bureau. En extérieur 2 dépendances et un garage . Travaux à prévoir, beau potentiel 102 m2 au sol, au calme proche bourg Idéal premier achat, investissement .... CONTACTEZ-NOUS

PRISMO - Expertimo
Annonce publiée le 12/12/2024 - mise à jour 02/12/2025
Proposée par PRISMO - Expertimo 12/12/2024 - mise à jour 02/12/2025
19
Maison, 107 m²

Prix en baisse 178 000 € 1 664 €/m²
Maison • 107 m² • 4 pièces • 3 chambres • Ter. 200 m²

Goudelin (22290)

Bien immobilier situé au centre bourg de Goudelin, proche de l'axe Guingamp, Lanvollon et de la côte de Goëlo, notamment Plouha et Saint-Quay-Portrieux. Cette propriété est composée d'une maison d'habitation rénovée par des professionnels en 2012, d'une annexe à usage de buanderie, et d'une terrasse couverte ensoleillée les soirées d'été. Parking public devant et possibilité de stationnement à l'arrière sur le terrain arboré d'une surface totale de 200 m2. La maison sur trois niveaux propose une cuisine spacieuse ouverte sur l'espace repas, un salon séparé et un WC. L'étage comprend trois chambres et une salle d'eau avec Wc. Les combles au second étage sont accessibles par un escalier avec un grenier isolé de 20 m2 utiles (>1,80 m), aménageable selon vos envies (bureau, chambre d'amis, espace détente…). Le chauffage dépend d'une chaudière fioul ancienne facilement convertible et l'eau chaude d'un ballon électrique. L'isolation récente est performante et ne nécessite pas d'amélioration. L'assainissement collectif est conforme (tout-à-l'égout). PRISMO vous accompagne dans votre projet. Contactez Noël Lefebvre pour l'organiser une visite ou découvrir cette propriété à distance grâce à notre visite virtuelle 360o. Les risques auxquels ce bien est exposé sont consultables sur le site www.georisques.gouv.fr ou sur simple demande.

L'Étude Immobilière du Goëlo
Annonce publiée le 14/10/2025 - mise à jour 05/12/2025
Proposée par L'Étude Immobilière du Goëlo 14/10/2025 - mise à jour 05/12/2025
42
Maison, 96 m²

222 600 € 2 319 €/m²
Maison • 96 m² • 6 pièces • 3 chambres • Ter. 500 m²

Goudelin (22290)

NOUVEAUTE sur le secteur !!! Venez découvrir cette belle maison en pierres rénovée avec goût. Vous serez séduit par ses volumes et sa composition . Très bel espace de vie avec poêl à bois, cuisine ouverte sur grande salle à manger; a L'étage 3 chambres et un bureau . Terrain clos, assainissement aux normes, doubles vitrages Les informations sur les risques auxquels ce bien est exposé sont disponibles sur le site Géorisques : ' Prix du bien : 210 000€ Prix du bien hors honoraires : 222 600€ Honoraires HAI ( Honoraires à la charge de l'acquéreur.) Montant estimé des dépenses annuelles d'énergie de ce logement pour un usage standard est compris entre 1550 € et 2140 € sur les années de références 2021, 2022 et 2023. Logement à consommation énergétique : classe D. POUR PLUS DE RENSEIGNEMENTS CONTACTEZ-NOUS AU 02.96.52.37.75

Sophie Mcdonald - iad
Annonce publiée le 31/10/2025 - mise à jour 04/12/2025
Proposée par Sophie Mcdonald - iad 31/10/2025 - mise à jour 04/12/2025
20
Maison, 152 m²

280 000 € 1 842 €/m²
Maison • 152 m² • 6 pièces • 4 chambres • Ter. 1 328 m²

Goudelin (22290)

iad France - Sophie Mcdonald vous propose: MAISON EN PIERRE / 4 CHAMBRES / AUCUN TRAVAUX À PRÉVOIR / FAIBLES CONSOMMATIONS / DÉPENDANCES Située au calme et à proximité du bourg et de ses commodités, cette maison de caractère en pierre allie charme de l’ancien et confort moderne. Un escalier extérieur mène à une entrée avec placard, une cuisine aménagée et équipée, un salon / salle à manger avec une belle hauteur sous plafond et agrémenté d’un poêle à bois, judicieusement séparé par quelques marches, offrant une belle distinction entre les espaces de vie. Une chambre avec placard intégré, une salle d’eau et un WC séparé complètent ce niveau. Un premier escalier conduit à un palier pouvant servir de coin bureau, ainsi qu’à une chambre. Un second escalier mène à une salle de bain et deux autres chambres. Un vaste sous-sol, spacieux et fonctionnel, offre de multiples possibilités d’aménagement : espace de stockage, atelier ou buanderie. À l’extérieur, de nombreuses dépendances permettent d’aménager des espaces supplémentaires selon vos besoins. Un garage avec porte motorisée et plusieurs places de stationnement viennent compléter ce bien. Le tout est édifié sur un terrain arboré et fleuri de 1 328 m², parfaitement entretenu, offrant un cadre paisible et agréable. Informations complémentaires : Surface habitable : 152 m² (loi Carrez : 125 m²), pompe à chaleur, poêle à bois installé en 2023, cuisine installée en 2024, tout à l’égout, menuiseries bois double vitrage, volets roulants solaires à l’avant au rez-de-chaussée, fibre, taxe foncière 921 €. Honoraires d'agence à la charge du vendeur. Information d'affichage énergétique sur ce bien : classe ENERGIE C indice 174 et classe CLIMAT A indice 5. Les informations sur les risques auxquels ce bien est exposé, y compris l'obligation légale de débroussaillement, sont disponibles sur le site Géorisques : http://www.georisques.gouv.fr. La présente annonce immobilière a été rédigée sous la responsabilité éditoriale de Mme Sophie Mcdonald mandataire indépendant en immobilier (sans détention de fonds), agent commercial de la SAS I@D France immatriculé au RSAC de Saint-Brieuc sous le numéro 979399151, titulaire de la carte de démarchage immobilier pour le compte de la société I@D France SAS.

CASTEL Loïc - immo reseau
Annonce publiée le 12/09/2025 - mise à jour 17/11/2025
Proposée par CASTEL Loïc - immo reseau 12/09/2025 - mise à jour 17/11/2025
12
Maison, 79 m²

Prix en baisse 108 000 € 1 367 €/m²
Maison • 79 m² • 5 pièces • 3 chambres • Ter. 1 750 m²

Goudelin (22290)

Charmante maison en pierre de 79m² habitables sur l'axe Guingamp-Lanvollon (D9), comprenant 3 chambres dont une très grande, salon avec cheminée, une pièce pouvant être un séjour ou une chambre, une salle d'eau, WC séparé, un atelier, un chalet,une véranda, un cellier. Un grand garage. Sur un terrain clos de 1000m², situé entre Guingamp et Lanvollon. A 15 min des plages. terrain non attenant de 750m² en bord de rivière. Chauffage au gaz, fosse septique non conforme, toiture en bon état, double vitrage. Travaux à prévoir (isolation, fosse septique, électricité, rafraichissement global) Pour visiter et vous accompagner dans votre projet, contactez Loïc CASTEL 06 07 46 96 18 Prix TTC et Honoraires à charge vendeur TTC Prix de vente 108 000 € Selon l'article L.561.5 du Code Monétaire et Financier, pour l'organisation de la visite, la présentation d'une pièce d'identité vous sera demandée. Les informations sur les risques auxquels ce bien est exposé sont disponibles sur le site Géorisques : www.georisques.gouv.fr Cette présente annonce a été rédigée sous la responsabilité éditoriale de Loïc CASTEL agissant sous le statut d'agent commercial immatriculé au Ville du greffe : ST BRIEUC sous le numéro RSAC N° 814 173 381 auprès de la SAS IMMO RESEAU au capital de 10 000€ - Réseau national immobilier sur internet, 44 Allée des Cinq Continents - 44120 VERTOU - RNE NANTES 519 718 886. Carte professionnelle T et G n° CPI 3002 2018 000 024 971 CCI de Nantes-Saint-Nazaire (44) Garantie par GALIAN - 89 rue de la Boétie - 75008 Paris N°171379G pour 120 000€ pour T. Assurance responsabilité civile professionnelle par GALIAN n° de police 120 137 405 (réf. 35895) - Le professionnel garantit et sécurise votre projet immobilier Prix de vente 108 000 € Prix TTC et Honoraires à charge vendeur TTC Montant estimé des dépenses annuelles d'énergie pour un usage standard : entre 3 160 € et 4 320 € par an. Prix moyens des énergies indexés au 01/01/2021 (abonnement compris). DPE : F GES : F

Coraline Chaverou - efficity
Annonce publiée le 29/08/2025 - mise à jour 16/10/2025
Proposée par Coraline Chaverou - efficity 29/08/2025 - mise à jour 16/10/2025
16
Maison, 163 m²

349 500 € 2 144 €/m²
Maison • 163 m² • 5 pièces • 3 chambres • Ter. 1 671 m²

Goudelin (22290)

22290 - GOUDELIN - 5 PIECES - 4 CHAMBRES - 163 m² - MAISON FAMILIAL AVEC JARDIN PAYSAGE ET TERRASSE efficity, l'agence qui estime votre bien en ligne, vous propose ce PAVILLON LUMINEUX et parfaitement entretenu, idéal pour accueillir votre famille dans un cadre PAISIBLE et VERDOYANT. Située dans un hameau au CALME, cette maison de 163 m² habitables offre de beaux VOLUMES et une excellente FONCTIONNALITE. Vivable de PLAIN-PIED, elle comprend au rez-de-chaussée : Un VASTE SEJOUR lumineux de 50 m², orienté SUD-OUEST, Une cuisine fonctionnelle, Deux chambres Une salle d'eau, Des WC indépendants. À l'étage, vous trouverez : Deux chambres, Une salle de bain avec WC, Et des COMBLES aménageables de 8,2 m² offrant un potentiel d'agrandissement. À l'extérieur, profitez d'un jardin ARBORE et PAYSAGE de 800 m², entièrement CLOTURE, parfait pour les enfants ou les animaux, ainsi que d'une belle TERRASSE de 27 m² pour vos repas en plein air. Plusieurs places de STATIONNEMENT (dont deux abritées) complètent ce bien. Aucun travaux à prévoir : maison en bon état général, prête à vous accueillir. Une opportunité rare pour les FAMILLES en quête de CALME, D'ESPACE et de CONFORT, à proximité des COMMODITES de Goudelin. Contactez-nous sans tarder pour organiser une visite ou obtenir plus d'informations ! Les informations sur les risques auxquels ce bien est exposé sont disponibles sur le site Georisque : georisques. gouv. fr Coraline Chaverou - EI - est Agent Commercial mandataire en immobilier, immatriculé au Registre Spécial des Agents Commerciaux du Tribunal de Commerce de Saint-Brieuc sous le n°944641810. Siège social du mandant : effiCity, 48 avenue de Villiers - 75017 PARIS - Société par Actions Simplifiée, société au capital de 132 373,05 euros, immatriculée au RCS Paris 497 617 746 et titulaire de la Carte professionnelle CPI 7501 2015 000 002 025 - CCI Paris IDF - Caisse de Garantie : GALIAN Assurances 89 rue de la Boétie 75008 Paris

Dominique Olympie - efficity
Annonce publiée le 18/10/2025 - mise à jour 15/11/2025
Proposée par Dominique Olympie - efficity 18/10/2025 - mise à jour 15/11/2025
22
Maison, 140 m²

329 700 € 2 355 €/m²
Maison • 140 m² • 8 pièces • 5 chambres • Ter. 580 m²

Goudelin (22290)

22290 – GOUDELIN – MAISON 140 m² (196 m² avec le grenier isolé) – PARCELLE 580 m² – 8 PIÈCES – 5 CHAMBRES – SÉJOUR 29 m² – GRENIER PLAQUÉ ET ISOLÉ 56 m² – ATELIER – JARDIN ****** De très nombreux travaux ont été réalisés entre 2021 et 2025 ****** Au cœur de Goudelin, cette belle maison en pierre allie le charme de l'ancien et le confort de rénovations récentes. Derrière sa façade authentique se découvre un intérieur chaleureux, repensé avec soin entre 2021 et 2025 pour offrir un cadre de vie agréable au quotidien. Trois chambres disposent chacune de leur salle d'eau privative, permettant à chacun de profiter de son espace. Le jardin, intime et joliment entretenu, prolonge la maison vers l'extérieur pour des moments paisibles en famille ou entre amis. Agencement de la maison : Rez-de-chaussée : •Une entrée (7,2 m²) •Un séjour (29 m²) •Une Cuisine (16 m²) •Une Chaufferie (25 m²) •Une Première chambre (18,3 m²) •Une Salle d'eau privative (5,04 m²) avec WC •Une Buanderie (2 m²) •Une Véranda (15 m²) 1er étage : •Un Palier (6,4 m²) •Un Bureau (5,8 m²) •Une Deuxième chambre (9,4 m²) •Une Salle d'eau privative (3,2 m²) avec WC •Une Troisième chambre (11,3 m²) •Une Quatrième chambre (11,3 m²) •Une Cinquième chambre (11,6 m²) •Une Salle d'eau privative (3,6 m²) 2e étage : •Un Grenier (56 m²) Extérieurs et dépendances : •Un Garage (17 m²) •Une Atelier (22 m²) •Un Jardin •Des WC extérieurs Informations complémentaires : •Chauffage assuré par une chaudière à granulés. •Production d'eau chaude assurée par cette même chaudière. •Menuiseries en double vitrage. •Taxe foncière annuelle : 739 €. Travaux réalisés entre 2021 et 2025 : •Remplacement des menuiseries (fenêtres et portes) •Électricité •Poêle à bois •Chaudière à granulés •Isolation et doublage (plaquage) du grenier et du pourtour de la maison •Raccordement au tout-à-l'égout •Couverture (toiture) •Reprise sur la charpente •Terrasse •Toiture et fenêtre de la véranda Parce que l'emplacement compte aussi, depuis la maison vous êtes : •à 5 km de Lanvollon •à 12 km de Guingamp •à 16 km de la mer •à 9 km de Châtelaudren •à quelques mètres des écoles, d'une boulangerie, d'un supermarché… Cette maison idéalement située à Goudelin est à découvrir sans tarder. Pour toute demande, veuillez contacter Dominique OLYMPIE au 06 23 57 07 02 ou par e-mail à , en laissant vos coordonnées. Chers confrères, je vous propose l'ouverture de ce mandat en partage. Si l'un de vos acquéreurs souhaite visiter ce bien, contactez-moi ! Les informations sur les risques auxquels ce bien est exposé sont disponibles sur le site Georisque : georisques. gouv. fr Dominique Olympie - EI - est Agent Commercial mandataire en immobilier, immatriculé au Registre Spécial des Agents Commerciaux du Tribunal de Commerce de Saint-Brieuc sous le n°892844937. Siège social du mandant : effiCity, 48 avenue de Villiers - 75017 PARIS - Société par Actions Simplifiée, société au capital de 132 373,05 euros, immatriculée au RCS Paris 497 617 746 et titulaire de la Carte professionnelle CPI 7501 2015 000 002 025 - CCI Paris IDF - Caisse de Garantie : GALIAN Assurances 89 rue de la Boétie 75008 Paris

Sandrine Nivet - iad
Annonce publiée le 15/04/2025 - mise à jour 13/08/2025
Proposée par Sandrine Nivet - iad 15/04/2025 - mise à jour 13/08/2025
14
Maison, 137 m²

Prix en baisse 315 000 € 2 299 €/m²
Maison • 137 m² • 7 pièces • Ter. 2 350 m²

Goudelin (22290)

iad France - Sandrine Nivet vous propose: MAISON CONTEMPORAINE / MAISON LUMINEUSE / TRES CALME / DOUBLE GARAGE / PLEIN SUD / 17 MINUTES DE LA MER Située à Pommerit-le-Vicomte, cette charmante maison de 137m² s'étend sur un vaste terrain de 2350m², offrant un cadre de vie paisible et verdoyant, idéal pour les amoureux de la nature. Construite en 2006, cette maison de plain-pied offre 7 pièces spacieuses et lumineuses. Les 5 chambres offrent de multiples possibilités d'aménagement selon vos besoins : chambres, bureau, salle de jeux, etc. L'intérieur est en excellent état, témoignant d'un entretien régulier et soigné. L'espace de vie principal est agréablement agencé, vous offrant un confort optimal. La cuisine est entièrement équipée et fonctionnelle, prête à accueillir de délicieux repas en famille ou entre amis. L'exposition plein sud permet de profiter d'une belle luminosité tout au long de la journée, créant une atmosphère chaleureuse et conviviale. Côté extérieur, le jardin spacieux et bien entretenu est un véritable havre de paix. Vous pourrez aménager des espaces de détente, de jeux ou même un potager, selon vos envies. De plus, la tranquillité du lieu vous garantit des instants de relaxation en toute sérénité. Les points forts de ce bien : - Maison lumineuse et spacieuse - Vaste terrain arboré - Exposition plein sud - En excellent état - Environnement paisible et verdoyant - Terrain constructible Ne tardez pas à visiter cette maison qui saura vous séduire par son charme et son potentiel. Un vrai coup de cOEur vous attend à Pommerit-le-Vicomte ! Honoraires d'agence à la charge du vendeur. Information d'affichage énergétique sur ce bien : classe ENERGIE D indice 189 et classe CLIMAT B indice 6. Les informations sur les risques auxquels ce bien est exposé, y compris l'obligation légale de débroussaillement, sont disponibles sur le site Géorisques : http://www.georisques.gouv.fr. La présente annonce immobilière a été rédigée sous la responsabilité éditoriale de Mme Sandrine Nivet mandataire indépendant en immobilier (sans détention de fonds), agent commercial de la SAS I@D France immatriculé au RSAC de Saint Brieuc sous le numéro 751303819, titulaire de la carte de démarchage immobilier pour le compte de la société I@D France SAS.

Sandrine Nivet - iad
Annonce publiée le 25/08/2025 - mise à jour 19/09/2025
Proposée par Sandrine Nivet - iad 25/08/2025 - mise à jour 19/09/2025
17
Maison, 170 m²

349 500 € 2 056 €/m²
Maison • 170 m² • 6 pièces • Ter. 1 671 m²

Goudelin (22290)

iad France - Sandrine Nivet vous propose: MAISON DE QUATRE GRANDE CHAMBRES DONT DEUX AU REZ-DE-CHAUSSÉE/VIE DE PLAIN-PIEDS/JARDIN CLOS/GRAND GARAGE/15 MINUTES DES PLAGES/CLASSE ÉNERGÉTIQUE B et A. Découvrez cette magnifique maison contemporaine au coeur de son grand jardin, située sur la commune de GOUDELIN, à 15 minutes des plages de PLOUHA et de ST-QUAY-PORTRIEUX. Elle offre une vie de plain-pieds avec un espace de vie lumineux et spacieux, idéal pour accueillir une famille ou pour profiter de moments de convivialité entre amis. Des l'entrée , l'effet coup de coeur est immédiat, une vaste pièce de vie baignée de lumière naturelle , à la fois chaleureuse et élégante, offre un espace de réception ou salon avec un poêle à pellets, salle à manger et cuisine ouverte s'harmonisent avec fluidité. Le rez-de-chaussée accueille deux grandes chambres, une salle d'eau, WC séparé et un local technique/buanderie, viennent compléter ce niveau. À l'étage, le charme continue d'opérer avec un très grand espace de vie (possibilité d'aménager en chambre ou en bureau) deux grande chambres, dont une avec un grenier ou dressing, une salle de bain, WC. Côté annexes, un spacieux garage ravira les passionnés de bricolages où les familles en quête de de rangements supplémentaires À l'extérieur, tout à été pensé pour savourer les beaux jours : une terrasse carrelée, un espace dédié à l'installation d'une piscine pour des instants de détente, un abri de jardin pratique, un terrain clos, paysagé avec soin, où intimité et sérénité sont au rendez-vous pour profiter pleinement de chaque instant. Sans aucun travaux à prévoir, cette maison est une opportunité rare : clé en main, prête à accueillir ses futurs propriétaires. Pour plus d'informations ou pour organiser une visite , n'hésitez pas à me contacter. Information d'affichage énergétique sur ce bien : Classe ENERGIE B indice 104 et Classe CLIMAT A indice 3. Honoraires d'agence à la charge du vendeur. Information d'affichage énergétique sur ce bien : classe ENERGIE B indice 104 et classe CLIMAT A indice 3. Les informations sur les risques auxquels ce bien est exposé, y compris l'obligation légale de débroussaillement, sont disponibles sur le site Géorisques : http://www.georisques.gouv.fr. La présente annonce immobilière a été rédigée sous la responsabilité éditoriale de Mme Sandrine Nivet mandataire indépendant en immobilier (sans détention de fonds), agent commercial de la SAS I@D France immatriculé au RSAC de Saint Brieuc sous le numéro 751303819, titulaire de la carte de démarchage immobilier pour le compte de la société I@D France SAS.

Aurélie PORTUGAL - iad
Annonce publiée le 27/08/2025
Proposée par Aurélie PORTUGAL - iad 27/08/2025
14
Maison, 177 m²

285 000 € 1 610 €/m²
Maison • 177 m² • 7 pièces • 5 chambres • Ter. 588 m²

Goudelin (22290)

iad France - Aurélie Portugal vous propose: Située dans le charmant bourg de Goudelin, cette grande maison mitoyenne d’un côté offre une surface habitable de 177 m² et se distingue par son excellent état d’entretien et ses prestations de qualité. Dès l’entrée, vous découvrirez une pièce de vie spacieuse et lumineuse comprenant un salon et une salle à manger, une cuisine indépendante fonctionnelle, une cave à vin, une chambre, une salle d’eau ainsi qu’un WC séparé. L’espace nuit se poursuit avec plusieurs grandes chambres réparties sur les étages supérieurs, une seconde salle d’eau avec WC, et une autre chambre accessible par un escalier indépendant, idéale pour accueillir famille, amis ou créer un espace bureau ou loisirs selon vos besoins. À l’extérieur, vous profiterez d’une grande véranda indépendante, d’un garage double permettant de stationner deux véhicules, d’un atelier, ainsi que d’un agréable terrain clos de 588 m². Ce bien rare en plein centre bourg réunit de nombreux atouts : maison très bien entretenue, excellent DPE, chauffage par géothermie, beaux volumes, annexes pratiques et emplacement privilégié. Une opportunité à ne pas manquer. Honoraires d'agence à la charge du vendeur. Information d'affichage énergétique sur ce bien : classe ENERGIE C indice 154 et classe CLIMAT A indice 4. Les informations sur les risques auxquels ce bien est exposé, y compris l'obligation légale de débroussaillement, sont disponibles sur le site Géorisques : http://www.georisques.gouv.fr. La présente annonce immobilière a été rédigée sous la responsabilité éditoriale de Mme Aurélie Portugal mandataire indépendant en immobilier (sans détention de fonds), agent commercial de la SAS I@D France immatriculé au RSAC de Saint-Brieuc sous le numéro 899185979, titulaire de la carte de démarchage immobilier pour le compte de la société I@D France SAS.

Florence LELU - megAgence
Annonce publiée le 18/07/2025 - mise à jour 24/11/2025
Proposée par Florence LELU - megAgence 18/07/2025 - mise à jour 24/11/2025
8
Maison, 107 m²

Prix en baisse 178 000 € 1 664 €/m²
Maison • 107 m² • 5 pièces • 3 chambres • Ter. 200 m²

Goudelin (22290)

Située à Goudelin, cette maison rénovée en 2012 à seulement vingt minutes de la mer et proche de toutes les commodités, et école offre un cadre de vie idéal pour une famille ou pour un investissement locatif. La maison se compose, au rez-de-chaussée, d'un espace ouvert réunissant une cuisine fonctionnelle et une salle à manger, un salon lumineux et un WC. À l'étage, trois chambres, une salle d'eau avec WC. Le second étage abrite un grenier isolé de 20 m², facilement aménageable en pièce supplémentaire selon vos besoins : bureau, salle de jeux ou chambre d'appoint. À l'extérieur, une annexe fait office de buanderie. Une terrasse couverte orientée ouest et un jardin engazonné constitue un véritable espace de détente. Pour une vie de famille ou pour un investissement locatif, ce bien représente une belle opportunité pour qui cherche un lieu de vie agréable, à proximité de la mer et des commerces de proximité. Les informations sur les risques auxquels ce bien est exposé sont disponibles sur le site Géorisques : www.georisques.gouv.fr Prix de vente honoraires d'agence inclus : 178 000 € Prix de vente hors honoraires d'agence : 170 000 € Honoraires charge acquéreur : 8 000 € soit 4,71 % TTC de la valeur du bien hors honoraires Contactez votre consultant megAgence : Florence LELU, Tél. : 0670906403, E-mail : - EI - Agent commercial immatriculé au RSAC de SAINT-BRIEUC sous le numéro 891 708 471